stahovanie okien bez klucu v zapalovani
- kachnak
- Junior
- Příspěvky: 226
- Registrován: 02.02.2008 03:18
- Bydliště: Šaľa SK
- Kontaktovat uživatele:
stahovanie okien bez klucu v zapalovani
zdravim neviete ako by sa dalo spravit aby mi sli stahovat elektricke okna aj bez klucu v zapalovani?
- Scarab
- Junior
- Příspěvky: 241
- Registrován: 02.02.2008 03:18
- Bydliště: KnO
- Kontaktovat uživatele:
- kachnak
- Junior
- Příspěvky: 226
- Registrován: 02.02.2008 03:18
- Bydliště: Šaľa SK
- Kontaktovat uživatele:
-
- Test driver
- Příspěvky: 9134
- Registrován: 02.02.2008 03:18
- Bydliště: Jablonec nad Nisou
kachnak: do zapalovacej skrinky by som na tvojom mieste nehrabal, ak nechceš nikde vyhoriet, pretože tým, že to tam prepojíš "natvrdo" neodblokuješ len okna, ale v podstate celu elektriku, ktorá ti permanentne zostane pod prudom a stačí jeden malý skratík a je to..
ak už fakt to chceš odpojit, prepoj dvere v poistkovke pod řidičem na staly prud, čo mi je malnko tiež proti srsti.
ak už fakt to chceš odpojit, prepoj dvere v poistkovke pod řidičem na staly prud, čo mi je malnko tiež proti srsti.

- mm2
- Nováček
- Příspěvky: 55
- Registrován: 02.02.2008 03:18
- Bydliště: Hořice
Taky jsem nad tím přemýšlel, ale potom jsem se na to vykašlal. Rozhodně bych tam nikdy nedával stálé plus. Chtěl jsem to vyřešit tak aby tam bylo napájení, jenom dokud se auto nezamkne. Potom už to není potřeba. Bistabilní relé přes diody antiparalelně zapojené cívky, nebo obyč relé a tyristor. Možná by se více věcí mohlo vypínat se zamčením. Ale jak říkám, nedělal jsem to.
mm2 michal
Focus MKI 1.6 combi
Mondeo MKIII 1.8 combi
Focus MKI 1.6 combi
Mondeo MKIII 1.8 combi
- Peter
- Junior
- Příspěvky: 326
- Registrován: 02.02.2008 03:18
- Bydliště: Zlate Moravce
- mm2
- Nováček
- Příspěvky: 55
- Registrován: 02.02.2008 03:18
- Bydliště: Hořice
- Scarab
- Junior
- Příspěvky: 241
- Registrován: 02.02.2008 03:18
- Bydliště: KnO
- Kontaktovat uživatele:
- kachnak
- Junior
- Příspěvky: 226
- Registrován: 02.02.2008 03:18
- Bydliště: Šaľa SK
- Kontaktovat uživatele:
- siki
- Nováček
- Příspěvky: 80
- Registrován: 02.02.2008 03:18
- Bydliště: u F-M
- Kontaktovat uživatele:
- kachnak
- Junior
- Příspěvky: 226
- Registrován: 02.02.2008 03:18
- Bydliště: Šaľa SK
- Kontaktovat uživatele:
- mm2
- Nováček
- Příspěvky: 55
- Registrován: 02.02.2008 03:18
- Bydliště: Hořice
to HonzaV:
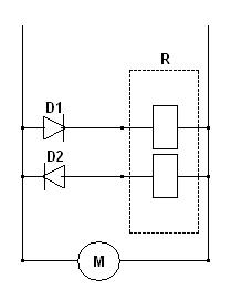
Antiparalelně zapojené diody na dvou cívkovém relé. Jedná se o jedno relé, kde jedna cívka uvádí mechanizmus do I a druhá do 0. Takto zapojené diody umožní jednou polaritou obvod zapnout a opačnou polaritou zase vypnout. Zapojí se to na silovku pro motorky centrálu, které jednou polaritou zamknou a opačnou odemknou.
Podobné zapojení se používalo před mnoha lety v průmyslových pohonech. Před nástupem frekvenčáků a krokových serv.
Osobně jsem to v autě nikdy nepoužil, ale známý něco podobného bastlil, kvůli vypínání rádia v "tuningu" Š 1000 MB. Tam nebyla poloha I a II na klíčku. Rádio vybíjelo baterku, tak nahradil polohu I signálem "odemčeno" právě z tohodle jednoduchého bastlu. Odemknul dálkou a rádio začlo hrát. Těžká machrovina. Ale hlavně baterka v poho.
Antiparalelně zapojené diody na dvou cívkovém relé. Jedná se o jedno relé, kde jedna cívka uvádí mechanizmus do I a druhá do 0. Takto zapojené diody umožní jednou polaritou obvod zapnout a opačnou polaritou zase vypnout. Zapojí se to na silovku pro motorky centrálu, které jednou polaritou zamknou a opačnou odemknou.
Podobné zapojení se používalo před mnoha lety v průmyslových pohonech. Před nástupem frekvenčáků a krokových serv.
Osobně jsem to v autě nikdy nepoužil, ale známý něco podobného bastlil, kvůli vypínání rádia v "tuningu" Š 1000 MB. Tam nebyla poloha I a II na klíčku. Rádio vybíjelo baterku, tak nahradil polohu I signálem "odemčeno" právě z tohodle jednoduchého bastlu. Odemknul dálkou a rádio začlo hrát. Těžká machrovina. Ale hlavně baterka v poho.
- Přílohy
-
- antiparalelne.JPG (7.42 KiB) Zobrazeno 6283 x
mm2 michal
Focus MKI 1.6 combi
Mondeo MKIII 1.8 combi
Focus MKI 1.6 combi
Mondeo MKIII 1.8 combi
Kdo je online
Uživatelé prohlížející si toto fórum: Žádní registrovaní uživatelé a 0 hostů