Zdravím, omlouvám se, jestli zakládám něco nového, snad ne. Jsem vlastníkem Mondea 2.0 96kw (2004), bez palubního pc.
Venku je konečně teplo a tak bych chtěl pořešit problém s palivoměrem, se kterým už sem Mondeo koupil.
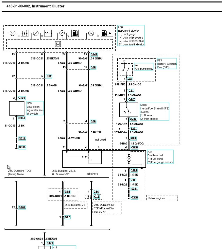
Věc se má tak, že mi neukazuje ručička palivoměru, je permanentně na nule a svítí mi rezerva.
Provedl jsem diagnostiku budíků a při té se ručička pohybovala standartně 0-max-0. Dále jsem měřil hodnoty napětí na konektoru u palivoměru a následně odpor na palivoměru. Hodnota napětí byla kolem 8v tuším a odpor činil kolem 1970 ohmu. Nádrž je téměř plná, odhad 50 litrů. Předtím jsem měl TDDI a ještě než šlo pryč, naměřil jsem napětí asi kolem 6, už si bohužel nepamatuji a odpor jsem neměřil. Mám k dispozici Fordiag, nicméně chybu to nehlásí a nevím jestli mi tedy pomůže.
Vypadá to, že se v tom někdo nějakým způsobem už asi rýpal, neboť pod sedadlem u palivoměru je vystřižen plech pro lepší přístup k plováku.
Napadlo by někoho, jaké budou další kroky, než se přesunu k výměně díl za díl? Může být stále problém v plováku? Nevěděl by někdo, jestli ty hodnoty odpovídají, nebo jsou špatný a tudíž do budíků neposílají co mají? Taky otázka, jestli jdou ty hodnoty ještě přes ŘJ nebo ne.
Předem Vám děkuji za rady a tipy.
Neukazuje ručička palivoměru, mk3 TDCI 96kw
Zpět na „motor - mondeo mk3 diesel“
Přejít na
- Vše o klubu a fóru
- ↳ Jak na fórum
- ↳ Klub
- ↳ Poznej ho !!!!
- ↳ Čechy-Morava
- ↳ Slovensko
- ↳ Ostatní státy
- ↳ Narozeniny
- ↳ Soutěže
- ↳ Soutěže
- ↳ Pokec k soutěžím
- ↳ Club - shop
- focus / Cmax / kuga
- ↳ Karoserie
- ↳ Focus - karoserie 1998 - 2004
- ↳ Focus - karoserie 2004 - 2011
- ↳ Focus - karoserie 2011 - 2018
- ↳ Focus - karoserie 2018 - 2025
- ↳ Motor
- ↳ Focus - benzínové 1998 - 2004
- ↳ Focus - naftové 1998 - 2004
- ↳ Focus - benzínové 2004 - 2011
- ↳ Focus - naftové 2004 - 2011
- ↳ DPF a vše okolo
- ↳ Focus - benzínové 2011 - 2018
- ↳ Focus - naftové 2011 - 2018
- ↳ Focus - benzínové 2018 - 2025
- ↳ Focus - naftové 2018 - 2025
- ↳ Podvozek
- ↳ Focus - podvozek 1998 - 2004
- ↳ Focus - podvozek 2004 - 2011
- ↳ Focus - podvozek 2011 - 2018
- ↳ Focus - podvozek 2018 - 2025
- ↳ Focus - pneumatiky a disky
- ↳ Interier
- ↳ Focus - interier - 1998-2004
- ↳ Focus - interier - 2004 - 2011
- ↳ Focus - interier - 2011 - 2018
- ↳ Focus - interier - 2018 - 2025
- ↳ Focus - budíky (palubní počítač, kontrolky)
- ↳ Focus - rádio a muzika
- ↳ Focus - klimatizace a ventilace
- ↳ Tuning
- ↳ Focus - tuning - 1998 - 2004
- ↳ Focus - tuning 2004 - 2011
- ↳ Focus - tuning 2011 - 2018
- ↳ Focus - tuning 2018 - 2025
- ↳ Technické informace + diagnostika
- ↳ Diagnostika a SW
- mondeo
- ↳ Karoserie - Mondeo
- ↳ karoserie - mondeo mk1+2
- ↳ karoserie - mondeo mk3
- ↳ karoserie - mondeo mk4
- ↳ karoserie - mondeo mk5
- ↳ Motor - Mondeo
- ↳ motor - mondeo mk1+2
- ↳ motor - mondeo mk3
- ↳ motor - mondeo mk3 diesel
- ↳ motor - mondeo mk3 benzín
- ↳ motor - mondeo mk4
- ↳ motor - mondeo mk4 diesel
- ↳ motor - mondeo mk4 benzín
- ↳ motor - mondeo mk5
- ↳ motor - mondeo mk5 diesel
- ↳ motor - mondeo mk5 benzín
- ↳ Podvozek - Mondeo
- ↳ Interier - Mondeo
- ↳ Audio v našich fordech - Mondeo
- ↳ Denso navigace
- ↳ Blaupunkt navigace
- ↳ Audio systém sony
- ↳ Audio ford systém 5000,6000 a ostatní...
- ↳ SYNCx
- ↳ Tuning - Mondeo
- fiesta / fusion / Bmax / puma
- ↳ Karoserie
- ↳ Motor + Podvozek
- ↳ Interier
- ↳ Nezařazené
- galaxy / Smax / edge
- ↳ Karoserie
- ↳ Motor
- ↳ Interier
- ↳ Všeobecné
- ST a RS
- ↳ ST a RS legenda žije
- ↳ Motory
- ↳ Podvozek
- ↳ Karoserie
- ↳ Technické informace
- Forum
- ↳ Ford
- ↳ Servisy
- ↳ Střední Čechy a Praha
- ↳ Jižní Čechy
- ↳ Západní Čechy
- ↳ Severní Čechy
- ↳ Východní Čechy
- ↳ Morava
- ↳ Slovensko
- ↳ Pohonné hmoty, benzin, nafta...
- ↳ Rady prodej - nákup
- ↳ recenze prodejců a autobazarů
- ↳ Rady, nápady a dotazy
- ↳ Pokec
- ↳ Vlákno pro členy, kteří už nevlastní forda
- ↳ PC hry
- ↳ Vánoce a Nový rok
- ↳ Dovolená
- ↳ Zajímavé odkazy
- ↳ Vzkazy
- ↳ Odcizení - krádež
- ↳ .. aneb co nelze nikam zařadit
- ↳ Sociálno
- ↳ Spřátelené weby
- Fotogalerie členů
- ↳ Focus
- ↳ Fotogalerie focus mk1 1998 - 2004
- ↳ Fotogalerie focus mk1 3dv.+5dv.
- ↳ Fotogalerie focus mk1 kombi
- ↳ Fotogalerie focus mk1 sedan
- ↳ Fotogalerie focus mk2 2004 - 2011
- ↳ Fotogalerie focus mk2 3dv.+5dv.
- ↳ Fotogalerie focus mk2 kombi
- ↳ Fotogalerie focus mk2 sedan + CC
- ↳ Fotogalerie focus mk3 2011 - 2018
- ↳ Fotogalerie focus mk3 5dv.
- ↳ Fotogalerie focus mk3 kombi
- ↳ Fotogalerie focus mk3 sedan
- ↳ Fotogalerie focus mk4 2018 a novější
- ↳ Fotogalerie focus mk4 5dv.
- ↳ Fotogalerie focus mk4 kombi
- ↳ Mondeo
- ↳ Fotogalerie - Mondeo mkI
- ↳ Fotogalerie - Mondeo mkII
- ↳ Fotogalerie - Mondeo mkIII
- ↳ Fotogalerie - Mondeo mkIV
- ↳ Fotogalerie - Mondeo mkV
- ↳ Ostatní Fordy
- ↳ Jiné značky
- ↳ Ostatní
- Srazy
- ↳ Srazy - Celorepublikové
- ↳ Srazy - Praha a Střední Čechy
- ↳ Srazy - Západní Čechy
- ↳ Srazy - Severní Čechy
- ↳ Srazy - Jižní Čechy
- ↳ Srazy - Východní Čechy
- ↳ Srazy - Morava
- ↳ Srazy - Slovensko
- ↳ Srazy - Zahraniční
- Bazar
- ↳ Prodej - komerce
- ↳ Služby
- ↳ Prodej
- ↳ Prodej - auta
- ↳ Prodej auta Focus/Cmax
- ↳ Prodej auta Mondeo/Smax/Galaxy
- ↳ Prodej auta Fiesta/Bmax/Fusion
- ↳ Prodej auta - ostatní fordy
- ↳ Prodej auta - bouračky
- ↳ Prodej auta - ostatní
- ↳ Prodej - náhradní díly
- ↳ Prodej ND Focus/Cmax
- ↳ Prodej - náhradní díly - 1998 - 2004
- ↳ Prodej - náhradní díly - 2004 - 2011
- ↳ Prodej - náhradní díly - 2011 - 2018
- ↳ Prodej - náhradní díly - 2018 >
- ↳ Prodej ND Mondeo/Smax/Galaxy
- ↳ Prodej ND Fiesta/Bmax/Fusion
- ↳ Prodej ND ostatní
- ↳ Prodej - pneu, alu, ráfky, poklice atd.
- ↳ Prodej pneu
- ↳ Prodej disků
- ↳ Prodej ALU disků 4x108
- ↳ Prodej ALU disků 5x108
- ↳ Prodej plechových disků 4x108
- ↳ Prodej plechových disků 5x108
- ↳ Prodej celých kol
- ↳ Prodej pneu + ALU 4x108
- ↳ Prodej pneu + ALU 5x108
- ↳ Prodej pneu + plech 4x108
- ↳ Prodej pneu + plech 5x108
- ↳ Prodej příslušenství pneu a ráfky
- ↳ Prodej - ostatní
- ↳ Daruji
- ↳ Blacklist
Kdo je online
Uživatelé prohlížející si toto fórum: Žádní registrovaní uživatelé a 2 hosti


