Zdravím všechny.
Mám problém se zapalovačem u řidiče na f. FOCUS mk1, r. 2003, 1.8tdci combi. Nefunguje.
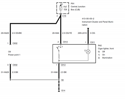
Pojistku jsem našel jenom jednu v pojistkovnici pod volantem /č. 47-15A zapalovač, střední zásuvka/.Ta je dobrá! Jo a zásuvka před zad. Sedačka teda funguje! Prohlidl jsem připojení k zapalovači, draty jsou v pořádku. Může to být nějaký relé? Nebo kde je pojistka? Třeba ji někdo odstranil? Fakt nevím, prošel jsem 15+20A pojistky pod palubkou u řidiče tak poj. V motor. Prostoru, všechny dobré.
Prošel jsem řadu schémat, nikde nic o další pojistce.
Cetl jsem tu už kde co, Vše zejména k FF mk2.
Poradí prosím někdo? Děkuji předem za pomoc.
zapalovac
- vitut
- Člen klubu

- Příspěvky: 3024
- Registrován: 25.06.2008 13:03
- Bydliště: Milovice(NB), Štoky(HB)
- Kontaktovat uživatele:
Re: zapalovac
Viz schema. Zapalovac je na pojistce F47, ktera je primo napajena z motorove pojistkovky. Pokud ale zasuvka vzadu na stredovem tunelu funguje a predni ne, musi byt problem na prednim zapalovaci. bud je nektery z vodicu poskozeny, neni pripojeny konektor zapalovace, nebo jsou opalene vnitrni kontakty zasuvky zapalovace.
S-Max, 2.0 TDCi, 103 kW, 2009, modrá Blazer
FoFo1 combi, 2.0 16V, 127 kW, 2003, modrá Imperial
C-Max mk1, 1.8 16V, 88 kW, 2004
byl: FoFo1 combi, 1.8 TDCi, 85 kW, 2002, šedá

FoFo1 combi, 2.0 16V, 127 kW, 2003, modrá Imperial
C-Max mk1, 1.8 16V, 88 kW, 2004
byl: FoFo1 combi, 1.8 TDCi, 85 kW, 2002, šedá

Kdo je online
Uživatelé prohlížející si toto fórum: Žádní registrovaní uživatelé a 0 hostů


