Startování bez spínačky focus mk1
-
focus04
- Nováček

- Příspěvky: 62
- Registrován: 09.06.2013 10:39
Startování bez spínačky focus mk1
Ahoj všem. Po x letech dotaz. Focus mk1 1.6 74kw rok 03 hatchback. Nejspíš mi odešla spínačka. Odpojil jsem konektor a chtěl bych vás poprosit o radu,které dráty navzájem propojit pro start. Pokud motor chytne. Spínačka je ko. Fotka večer. Díky
- phromcik
- Nováček

- Příspěvky: 14
- Registrován: 03.05.2009 15:06
Re: Startování bez spínačky focus mk1
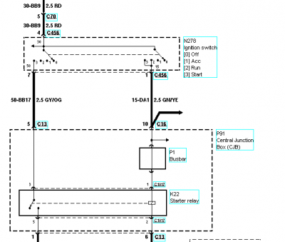
Teoreticky by melo stacit spojit piny 4 a 1 pro zapnuti zapalovani a potom 4 a 7 pro start.
Ford Focus Combi 1.6 Ghia 2002
-
focus04
- Nováček

- Příspěvky: 62
- Registrován: 09.06.2013 10:39
Re: Startování bez spínačky focus mk1
Díky, zkusím to. Chtěl jsem to proměřit, ale jak je konektor ve spínačce, tak se k drátům v konektoru prakticky nedostanu. Spínačku jsem měl venku a rozebral jsem ji. Dráhy i kontakty se zdají na pohled ok. Žádné spálení, oxidace, bordel. Všechno šlape. Po znovusložení se nic nezměnilo. Elektriku klíčem zapnu, na další polohu auto ale nijak nereaguje. Zapnu elektriku a na startéru spojením kontaktů motor nastartuju. Takže on, cívka jsou ok. Třeba bude problém po dráze v kabelech od spínačky
-
focus04
- Nováček

- Příspěvky: 62
- Registrován: 09.06.2013 10:39
Re: Startuju přes startér Focus mk1
Prošel jsem kabely v palubce i v motorovém prostoru. Vše OK. Všechny pojistky a relé, včetně žhavícího a vše OK. Ukostření motoru, ukostření startéru OK. Rozebraná spínačka a vše OK. Okolí ŘJ OK. Prostě klíčem elektriku zapnu, ale pořád dál nic. Ani snaha točit. Žádný impuls. Nevím co může být špatně
- ZaQik
- Admin

- Příspěvky: 25020
- Registrován: 30.05.2010 17:33
- Bydliště: exit 82 na D0
Re: Startování bez spínačky focus mk1
zkus propojit 4+1+6 (pozice II) a pak pro start pripoj 7 (po nastartovani odpoj)
Ford Focus mk3 combi 1.6 Ti-VCT, r.v.2018 + Ford Fiesta mk7 3D 1.25, r.v.2014
byl Ford Focus mk2 combi 1.6, r.v.2009 + Ford Fiesta mk6 1.4 TDCi r.v. 2004
Nejsem poradna, encyklopedie ani hotline spolecnosti Ford - ptejte se na foru, od toho je.
byl Ford Focus mk2 combi 1.6, r.v.2009 + Ford Fiesta mk6 1.4 TDCi r.v. 2004
Nejsem poradna, encyklopedie ani hotline spolecnosti Ford - ptejte se na foru, od toho je.
- Dragic
- Člen klubu

- Příspěvky: 3773
- Registrován: 14.12.2010 19:36
- Bydliště: Liberec
Re: Startování bez spínačky focus mk1
co imobilizér?
myslím že mi u 1 právě ani netočil startér
myslím že mi u 1 právě ani netočil startér
Ford Mustang r.v.1967
Ford Focus Combi, +-1.6i, r.v.2000 st170
Ford Focus Combi, r.v.2003 st170
Ford Transit 85 T300 r.v.2004
Ex:
Ford Focus 3dvéř, 1,8 TDDI 66kW, r.v.1999 Bombónek
Ford Focus Combi, 1,8 TDCI 85kW, r.v.2003 Fén ix
Galerie Focus
Galerie Mustang
Ford Focus Combi, +-1.6i, r.v.2000 st170
Ford Focus Combi, r.v.2003 st170
Ford Transit 85 T300 r.v.2004
Ex:
Ford Focus 3dvéř, 1,8 TDDI 66kW, r.v.1999 Bombónek
Ford Focus Combi, 1,8 TDCI 85kW, r.v.2003 Fén ix
Galerie Focus
Galerie Mustang
Kdo je online
Uživatelé prohlížející si toto fórum: Žádní registrovaní uživatelé a 0 hostů

