Stránka 1 z 1

Bastlírna: náhrada DRL nejen pro AFS světlomety

Napsal: 05.08.2017 19:09
od ozzik
Včera jsem si trochu hrál s AFS světlomety a režimem AUTO na ovladači světel. Ve dne v režimu AUTO samozřejmě světla nesvítí a je deaktivované natáčení čoček a "rohová" světla. Napadlo mne, že toho se dá využít, protože uzákoněné celodenní svícení asi nebylo plánované při návrhu vozidla, takže i motorky pro natáčení čoček do zatáček asi časem dostávají zabrat.

Pokud by se dalo na přepínači modulu světel zjistit jestli je právě v režimu AUTO, tak by se za pomocí relé dal celý systém upravit tak, aby natáčení světel fungovalo pouze při šeru a za tmy, přitom světla svítila po celou dobu.

Chtěl abych aby celé řešení mělo následující vlastnosti:
  • světla svítila i v poloze AUTO
  • v poloze AUTO bylo za dne bylo deaktivované natáčení čoček a "cornering lights"
  • ostatní režimy nechat tak jak jsou (i kvůli STK apod.)
  • BONUS: v režimu AUTO za dne svítit na cca 70% jinak 100% (prodloužení životnosti žárovek s vyšší svítivostí - ta se opravdu hodí jen v noci)
  • možnost jednoduchého odpojení
  • minimální zásah do kabeláže (ideálně nic neprotahovat do motorové části)
  • nechci navázat rozsvěcování světel na startování motoru (žárovky, baterka ani startér mi nepoděkují)
  • při přepínání na AUTO režim světla s AFS projdou vyhledáním středové polohy světla, tzn budou svítit rovně :)

Možná realizace:
Navrhnul jsem schéma, které by všechno tohle mohlo splňovat, nicméně ještě to není kompletně doladěné. Trápí mne hlavně následující věci:
  • nevím jak vnitřně funguje modul světel a vodič vedoucí do BCM - to budu muset nějak proměřit či rozebrat a pokusit se vypočítat R1. Případně kompletně předělat spínání relé na schématu. Neví o tom někdo něco víc?
  • tak jak to mám nakreslené bohužel mám paralelně F0 a F9, a to je špatně :/ - budu muset najít vhodnou odbočku na malé pojistky ale bez té druhé zapojené pojistky :)
  • počet diod asi bude záviset na jejich úbytku napětí, viděl bych 2 při úbytku 1,5V na každé. Při jízdě by to pak dávalo kolem 11V, což bude OK.
  • Jako vhodnou diodu bych asi vybral tuto. 16A by mělo na obě světla stačit. Možná ideálně stejné ampéry jako bude mít pojistka před diodami.
  • Nebo tam případně hodit rezistor
  • Trochu se bojím systému, který hlídá prasklé žárovky, jestli mu to nebude nějak vadit.
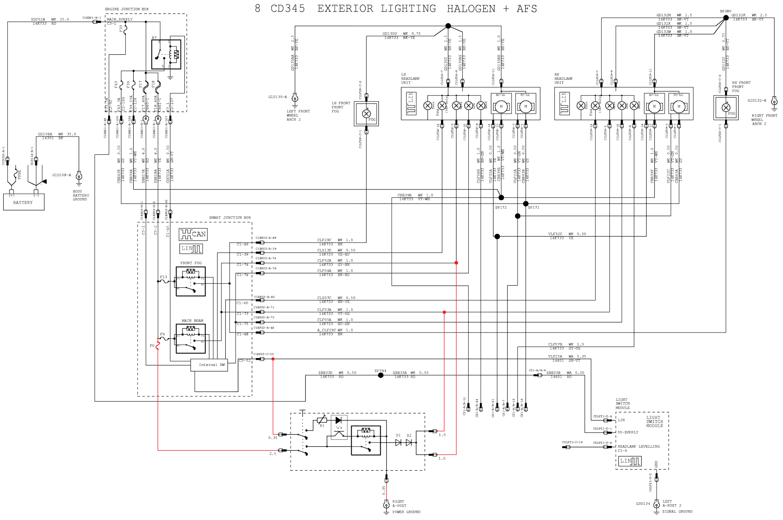
Schéma:
dimmer_mondeo_mk4_V1_small.png
Případně bezpečnější:
dimmer_mondeo_mk4_V2_small.png
Tento system by mohl být vhodný i pro auta s klasickýma halogenama co nemají AFS, ale nechtějí přes den svítit na 100%. Zapojení by mělo být shodné. Pro Xenony bych to nedoporučoval. Tam asi stmívání nebude úplně OK.

Co myslíte, není tam nějaká úplná hovadina? Případně nepokoušel se někdo o něco podobné, ať tady nevynalézám už hotové řešení?

Re: Bastlírna: náhrada DRL nejen pro AFS světlomety

Napsal: 05.08.2017 20:06
od lucky.jack
Tohle je sekce Návody! Pakliže to není návod, nemá to tady co prohledávat!

Re: Bastlírna: náhrada DRL nejen pro AFS světlomety

Napsal: 05.08.2017 20:26
od ozzik
Ok, chtěl jsem z toho postupem času návod udělat. Už chybí jen "málo" :mrgreen:

Jinak teď koukám, že možná MAIN BEAM jsou dálková světla, takže to mám nakreslené špatně. :dih:

Re: Bastlírna: náhrada DRL nejen pro AFS světlomety

Napsal: 06.08.2017 08:41
od ZaQik
spinac svetel s BCMi komunikuje po sbernici

Re: Bastlírna: náhrada DRL nejen pro AFS světlomety

Napsal: 06.08.2017 18:53
od ozzik
Mno výborně, tajně jsem doufal v podobný systém, jako je například tlačítek na volantu pomocí odporu.

Takže buď celý spínač rozebrat a kouknout, zda by se dal "ukradnout" kontakt z otočného spínače, nebo to pustit k ledu. Zkusím někde sehnat spínač světel s polohou AUTO na pitvu :)

Jinak schéma V3 - už to ztrácí jednoduchost zapojení :(
dimmer_mondeo_mk4_V3_small.png
Ještě mne napadlo, že vlastně potkávací světla nejsou homologovaná jako "denní svícení," takže bych musel donutit ke svitu ještě obrysovky a zadní světla, abych plnil legislativu. :nixw:

Re: Bastlírna: náhrada DRL nejen pro AFS světlomety

Napsal: 06.08.2017 19:01
od ZaQik
homologaci neres, reseni "svitim pres den jen potkavackama" Ti projde

Bastlírna: náhrada DRL nejen pro AFS světlomety

Napsal: 07.08.2017 13:49
od RosemanCZ
Sveho casu jsem se ptal behem TK, zda by reseni jen s potkavackama proslo... Odpovedi bylo, ze nebude-li svitit nic jinyho (parkovacky, zadek, pristrojovka, ani kontrolka zapnutych svetel), tak nevidi problem... Ale je to opravdu uz nejaky patek zpatky...