Hloupe je, ze to vsechno ridi komputer, jinak by stacilo si udelat jen nejake tlacitko a bylo by to.
Zavření oken po vytažení klíče FoFoII rv. 2005
- C-Maxis
- Zkušený

- Příspěvky: 1879
- Registrován: 21.07.2009 20:39
- Bydliště: Praha 9
Re: Zavření oken po vytažení klíče FoFoII rv. 2005
Priznavam, ze jsem umel zavrit okna "dlouhym klickem", ale az tady nedavno jsem se dozvedel, ze se takhle daji i otevrit 
Hloupe je, ze to vsechno ridi komputer, jinak by stacilo si udelat jen nejake tlacitko a bylo by to.
Hloupe je, ze to vsechno ridi komputer, jinak by stacilo si udelat jen nejake tlacitko a bylo by to.
- Flintik
- Nováček

- Příspěvky: 92
- Registrován: 20.05.2011 14:17
- Bydliště: Adamov
Re: Zavření oken po vytažení klíče FoFoII rv. 2005
Tak jsem to taky musel vyzkoušet - zase jsem o něco chytřejší
funguje zavírání i otevírání na dálku
to je nádhera, člověk se pořád něco učí.
Ford Focus II, 1.6 74kW (přestavba na E85) Kombi Ghia Automat 2005, sublime green
- C-Maxis
- Zkušený

- Příspěvky: 1879
- Registrován: 21.07.2009 20:39
- Bydliště: Praha 9
Re: Zavření oken po vytažení klíče FoFoII rv. 2005
Jen je mi trochu lito baterky u DO 
Ten dlouhy stisk u otevreni je opravdu dlouhy. safety first
Ten dlouhy stisk u otevreni je opravdu dlouhy. safety first
- Adow
- Člen klubu

- Příspěvky: 6814
- Registrován: 20.05.2011 09:52
- Bydliště: Kousek od Brna
Re: Zavření oken po vytažení klíče FoFoII rv. 2005
Lepší téma jsem tu nenašel, tak bych to tu trošku probudil příbuznou otázkou..
Mám v elektrice jen přední okna - a to tak, že od řidiče jde řidičovo okno otevřít jedním zmáčknutím a spolujezdcovo jen držením. Při zavírání musím držet obě okna. Toto je takovej menší opruz
1. Jde vyměnit spínač spolujezdcova okna tak, aby při otvírání od řidiče to šlo bez toho držení?
2. Jde nějak udělat, aby to jezdilo samo i nahoru?
Mám v elektrice jen přední okna - a to tak, že od řidiče jde řidičovo okno otevřít jedním zmáčknutím a spolujezdcovo jen držením. Při zavírání musím držet obě okna. Toto je takovej menší opruz
1. Jde vyměnit spínač spolujezdcova okna tak, aby při otvírání od řidiče to šlo bez toho držení?
2. Jde nějak udělat, aby to jezdilo samo i nahoru?
Je: Ford S-max II, 2.0 TDCi
Je: Ford B-max, 1.0 EB
Je: BMW i3, BEV 125 kW
Byl: Ford S-max I, 1.8 TDCi
Byl: Ford Focus III Combi FL, 1.5 EB
Byl: Ford Focus II Combi FL, 1.6i
Je: Ford B-max, 1.0 EB
Je: BMW i3, BEV 125 kW
Byl: Ford S-max I, 1.8 TDCi
Byl: Ford Focus III Combi FL, 1.5 EB
Byl: Ford Focus II Combi FL, 1.6i
- Anduril
- Test driver

- Příspěvky: 5096
- Registrován: 07.11.2009 16:56
- Bydliště: Ostrava
Re: Zavření oken po vytažení klíče FoFoII rv. 2005
Jedine predelat na ctyri el. okna.
A nebo nejaka samodomo vyroba
A nebo nejaka samodomo vyroba
- Nepér
- Zkušený

- Příspěvky: 1500
- Registrován: 09.12.2009 08:35
- Bydliště: Praha 8
Re: Zavření oken po vytažení klíče FoFoII rv. 2005
Mám elektrická také pouze přední okna, předpokládám, že nějakou automatiku (dlouhý klíč?) na zavření oken při zamykání auta to nemá, je to tak?
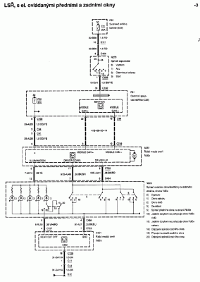
Podle schémat se zdá, že přední okna jsou zapojena pouze "hloupě" přes pojistku (z napětí spínaného druhou polohou klíčku) a dvoupólové třípolohové přepínače (přepínají přímo napájecí napětí do motorů). Pro okno řidiče je zde navíc elektronika pro otevření jedním stiskem.
Zatímco verze se čtyřmi okny je řízená "chytře" přes sběrnici CAN...
Takže u té mé "hloupé" verze by stačilo svorku 24 z konektoru C100 přepojit (přes pojistku) na trvalé napětí, nebo na první polohu klíčku...
Podle schémat se zdá, že přední okna jsou zapojena pouze "hloupě" přes pojistku (z napětí spínaného druhou polohou klíčku) a dvoupólové třípolohové přepínače (přepínají přímo napájecí napětí do motorů). Pro okno řidiče je zde navíc elektronika pro otevření jedním stiskem.
Zatímco verze se čtyřmi okny je řízená "chytře" přes sběrnici CAN...
Takže u té mé "hloupé" verze by stačilo svorku 24 z konektoru C100 přepojit (přes pojistku) na trvalé napětí, nebo na první polohu klíčku...
Mondeo mk4, 2.0i, 2010
- Evil_666
- Nováček

- Příspěvky: 105
- Registrován: 03.06.2010 10:53
Re: Zavření oken po vytažení klíče FoFoII rv. 2005
Ahoj, myslím, že máš pravdu, mělo by to stačit.
- Giggo
- Zkušený

- Příspěvky: 1215
- Registrován: 06.02.2011 09:43
- Bydliště: Praha
Re: Zavření oken po vytažení klíče FoFoII rv. 2005
A co pro chytrou verzi? 
Su navyklej pokud chcu otevřít okna bez startování nebo zavřít když zapomenu použít klíč, ale zase člověk sedí v autě, tak nemá potřebu dycky otevírat všechny 4 okna
Dyž se nad tím tak zamýšlím, okna jdou otevírat / zavírat klíčem, když je auto vypnutý, tak proč by to nemohlo jít ovládáním
Su navyklej pokud chcu otevřít okna bez startování nebo zavřít když zapomenu použít klíč, ale zase člověk sedí v autě, tak nemá potřebu dycky otevírat všechny 4 okna
Dyž se nad tím tak zamýšlím, okna jdou otevírat / zavírat klíčem, když je auto vypnutý, tak proč by to nemohlo jít ovládáním
Mondik IV. 2011 2.0 TDCi 120kW
dříve FoFo II. 2006 1.6 TDCi 80kW@106kW
dříve FoFo II. 2006 1.6 TDCi 80kW@106kW
- Evil_666
- Nováček

- Příspěvky: 105
- Registrován: 03.06.2010 10:53
Re: Zavření oken po vytažení klíče FoFoII rv. 2005
U "GEM" verze na pin 38 u konektoru C102, by mělo stačit přivést trvale napětí a mělo by to fungovat pořád, jestli jsem něco nepřekoukl. Ale kdybych měl tuto verzi tak by mi asi stačilo, dát klíček pouze do první polohy a stahovat jak se mi zlíbí...
- Nepér
- Zkušený

- Příspěvky: 1500
- Registrován: 09.12.2009 08:35
- Bydliště: Praha 8
Re: Zavření oken po vytažení klíče FoFoII rv. 2005
Nojo, jen aby se tím přivedením trvalého napětít nezaplo zapalování... 
Mondeo mk4, 2.0i, 2010
- Evil_666
- Nováček

- Příspěvky: 105
- Registrován: 03.06.2010 10:53
Re: Zavření oken po vytažení klíče FoFoII rv. 2005
No to by se nemělo jen je potřeba změřit jestli tam má být +12V a nebo zem...
- Nepér
- Zkušený

- Příspěvky: 1500
- Registrován: 09.12.2009 08:35
- Bydliště: Praha 8
Re: Zavření oken po vytažení klíče FoFoII rv. 2005
Hele ale pozor. Ta verze, řízená přes CAN má jednak vstup trvalého napětí přes pojistku (5/C100 jde do 9/C729) a jednak má zprostředkovaně přes CAN informaci o tom, zda je zapalování alespoň v té první poloze (38 (nebo 36, není to dobře vidět)/C102 je vstup na CJB pro napětí z první polohy klíčku... přivedením trvalého napětí si bude asi CJB (a ostatní moduly na CAN sběrnici) myslet, že se pořád jede...
Mondeo mk4, 2.0i, 2010
- Don
- Junior

- Příspěvky: 275
- Registrován: 02.02.2008 03:18
- Bydliště: Jizerské hory
Re: Zavření oken po vytažení klíče FoFoII rv. 2005
Zavření oken při vypnutém zapalování mám už namontováno delší dobu. Pro Focuse I to vymyslel Bandab a je to věc k nezaplacení. Dokonce se dá nastavit jak dlouho tuto funkci chceš mít aktivovanou. Já to mám na dvě minuty, což mi připadá dostačující. Jen nevím jestli by to fungovalo i u Focusu II, který má přeci jenom vyspělejší elektroinstalaci. Dejte si do vyhledávače: Dojezd oken po vypnutí zapalování.
Ford Focus 1.0 EB 92 kW Titanium r.v. 2015, 5dv. HB šedá Magnetic
- Nepér
- Zkušený

- Příspěvky: 1500
- Registrován: 09.12.2009 08:35
- Bydliště: Praha 8
Re: Zavření oken po vytažení klíče FoFoII rv. 2005
Stačí odpojit napájení oken z původního pinu 24 na konektoru C100 a zapojit ho jinam. Nejlépe do krabičky, která bude připojená přes pojistku 25A k trvalému napětí, spínanému napětí od klíčku a na kostru a jejím výstupem bude napájení pro okna, které se zapne s klíčkem ale vypne po nějaké době. Je to na jedno relé a asi šest součástek...
Příští týden to asi rozeberu
Příští týden to asi rozeberu
Mondeo mk4, 2.0i, 2010
- Mr.Zdenda
- Junior

- Příspěvky: 318
- Registrován: 25.11.2011 20:38
- Bydliště: Ml. Boleslav, Ústí n. Labem
Re: Zavření oken po vytažení klíče FoFoII rv. 2005
taky mi bohužel chodí jen střešní okno, také mám jen předek v el. Zaráží mě ale, že na mondeu je to řešení jinak a funguje to i u takovéto chudší verze, alespoň co jsem tady vyčetl..karel_st170 píše: Fokalovi třeba na dálku chodí jen střešní okno...![]()
2018-?: Rapid 1.0
2016-2018: ex. BMW e39 530dA, 142 kW
2015-2016: ex. Rapid 1.2 TSI 63 kw
2011-2015: ex. Ford Focus II 2.0 100 kW TDCI
2012-2018: ex. Suzuki Bandit GSF 600s 57 kW
2007-2012: ex. 323F BG 1.6 16V 66 kW
2006-2007: ex. Seat Ibiza 1.5glx 66 kW
2016-2018: ex. BMW e39 530dA, 142 kW
2015-2016: ex. Rapid 1.2 TSI 63 kw
2011-2015: ex. Ford Focus II 2.0 100 kW TDCI
2012-2018: ex. Suzuki Bandit GSF 600s 57 kW
2007-2012: ex. 323F BG 1.6 16V 66 kW
2006-2007: ex. Seat Ibiza 1.5glx 66 kW
Kdo je online
Uživatelé prohlížející si toto fórum: Žádní registrovaní uživatelé a 0 hostů


