problém palubní počítač
-
cinkicatko
- Nováček

- Příspěvky: 13
- Registrován: 03.05.2010 16:06
- Bydliště: Uhříněves, Praha
- Kontaktovat uživatele:
problém palubní počítač
Cius kuci,
nejaký ten pátek už mám vlastní fofo I a mám s ním menší problém ....konkrétně s palubním počítačem
Když otočím klíčkem napíše mi na PP "0 MPG" nebo se tam objeví stav teploty. Ted ještě k tomu se mi sám palubní počítač hodil do módu OFF. A nejde zapnout do módu ON.
Před týdnem jsem byl u autoris. servisu Forlík a Rataj a tam mi přehráli soft, ale fungovalo to jenom asi 10km pak znova palubni počítač do režimu OFF a znova "0 MPG". Jo a to "0 MPG" svíti pořád, nemění se.
Ja jsem předtím myslel že bude v prdeli páčka přepínače pal. poč. ale v servisu mi řekli že na to nemá vliv.
Dík za rady, hezkej den ...cius bus
nejaký ten pátek už mám vlastní fofo I a mám s ním menší problém ....konkrétně s palubním počítačem
Když otočím klíčkem napíše mi na PP "0 MPG" nebo se tam objeví stav teploty. Ted ještě k tomu se mi sám palubní počítač hodil do módu OFF. A nejde zapnout do módu ON.
Před týdnem jsem byl u autoris. servisu Forlík a Rataj a tam mi přehráli soft, ale fungovalo to jenom asi 10km pak znova palubni počítač do režimu OFF a znova "0 MPG". Jo a to "0 MPG" svíti pořád, nemění se.
Ja jsem předtím myslel že bude v prdeli páčka přepínače pal. poč. ale v servisu mi řekli že na to nemá vliv.
Dík za rady, hezkej den ...cius bus
-
xbobcz
- Junior

- Příspěvky: 260
- Registrován: 11.04.2011 21:16
- Bydliště: Brno
Re: problém palubní počítač
Problém je podle všeho v páčce s INFO tlačítkem, buď ti to tlačítko zůstalo viset nebo je ten signál zkratovaný na zem. To, že ti to ukazuje
0 MPG nebo OFF je totiž mód palubního počítače, který se aktivuje tak, že při zapnutí zapalování se drží to info tlačítko. V tomhle režimu
se nastavuje kalibrace spotřeby. Jestli je to páčka se dá zjistit, že změříš odpor pinu 10 z konektoru co jde k páčce blinkrů proti zemi,
nebo na test jen odpojit ten konektor a zapnout zapalování a měl by ti počítač naběhnout v normálním režimu, pokud ne tak je problém
někde v kabeláži dál, ne v páčce.
0 MPG nebo OFF je totiž mód palubního počítače, který se aktivuje tak, že při zapnutí zapalování se drží to info tlačítko. V tomhle režimu
se nastavuje kalibrace spotřeby. Jestli je to páčka se dá zjistit, že změříš odpor pinu 10 z konektoru co jde k páčce blinkrů proti zemi,
nebo na test jen odpojit ten konektor a zapnout zapalování a měl by ti počítač naběhnout v normálním režimu, pokud ne tak je problém
někde v kabeláži dál, ne v páčce.
Focus II 1.8 TDCi
-
cinkicatko
- Nováček

- Příspěvky: 13
- Registrován: 03.05.2010 16:06
- Bydliště: Uhříněves, Praha
- Kontaktovat uživatele:
Re: problém palubní počítač
Cius, dikes....nemas nahodou nejake info o tom konektoru co je na ty pacce? jak jsou tam umisteny piny a kterej je pro co?
Dikes....
Dikes....
-
xbobcz
- Junior

- Příspěvky: 260
- Registrován: 11.04.2011 21:16
- Bydliště: Brno
Re: problém palubní počítač
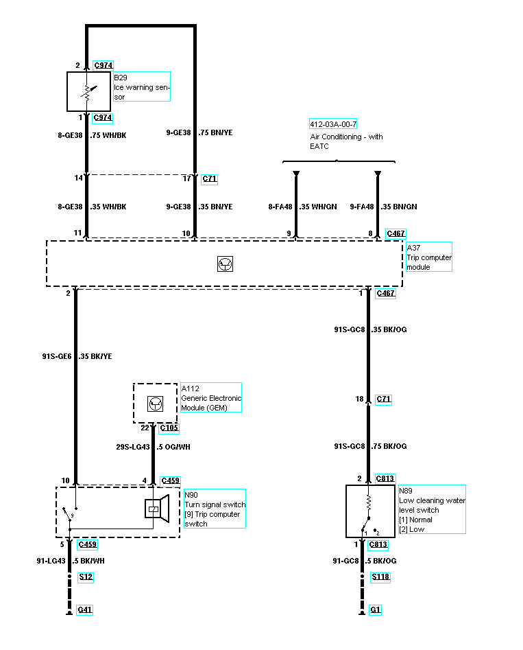
Tohle jsem opsat ze schematu v TISu.
1 - blinkr leva
2 - zem blikry
3 - blinkr prava
4 - zvukovy signal
5 - zem pro zvuk a INFO tlacitka
6 - dalkové vstup
7 - dalkove vystup
8 - vstup od prepinace svetel
9 - nepouzit
10 - info tlacitko
1 - blinkr leva
2 - zem blikry
3 - blinkr prava
4 - zvukovy signal
5 - zem pro zvuk a INFO tlacitka
6 - dalkové vstup
7 - dalkove vystup
8 - vstup od prepinace svetel
9 - nepouzit
10 - info tlacitko
Focus II 1.8 TDCi
-
cinkicatko
- Nováček

- Příspěvky: 13
- Registrován: 03.05.2010 16:06
- Bydliště: Uhříněves, Praha
- Kontaktovat uživatele:
Re: problém palubní počítač
Dikes za radu, mas u mne pivo xbobcz. Jsem zjistil ze je v prdeli packa....jseem vyndal konektor a zkusil jsem to vodivym propojem mezi pin 5 a pin 10 a funguvalo to.....takze uz jenom koupit(sehnat za levneji) novou packu a bude to v pohode.
Jeste bych mel dotazik mensi, kdyz chci vybrat tu levu packu tak odcvaknu tu poistku na vrchu, odpojim konektor ale nechce to ven, nevis proc???
Na ty pravy strane to jde zlehka ale na ty levy to nejde a nechci neco urvat....
Dikes cius bus
Jeste bych mel dotazik mensi, kdyz chci vybrat tu levu packu tak odcvaknu tu poistku na vrchu, odpojim konektor ale nechce to ven, nevis proc???
Na ty pravy strane to jde zlehka ale na ty levy to nejde a nechci neco urvat....
Dikes cius bus
-
xbobcz
- Junior

- Příspěvky: 260
- Registrován: 11.04.2011 21:16
- Bydliště: Brno
Re: problém palubní počítač
Ta packa by mela jit normalne ven kdyz to nahore odcvaknes, vetsinou to slo lehce. Jako packu jsem kupoval nedavno na ebay kdyz jsem dodelaval
palubni PC do sveho focuse, stala me asi 450 i s postovnym z anglie. Akorat jsem pak narazil na jeden problem, ze pod stejnym cislem je i
packa z mondea, jsou vzhledove uplne stejne akorat ta z mondea ma trochu jiny uhel a pri prepinani dalkovych svetel to narazi do toho
kryciho plastu, tak jsem je nakonec obe rozdelal a vyrobil kombinaci. Ta packa se pri trose snahy da cela rozdelat takze by se dalo zjistit
co je s tim tvym info spinacem.
palubni PC do sveho focuse, stala me asi 450 i s postovnym z anglie. Akorat jsem pak narazil na jeden problem, ze pod stejnym cislem je i
packa z mondea, jsou vzhledove uplne stejne akorat ta z mondea ma trochu jiny uhel a pri prepinani dalkovych svetel to narazi do toho
kryciho plastu, tak jsem je nakonec obe rozdelal a vyrobil kombinaci. Ta packa se pri trose snahy da cela rozdelat takze by se dalo zjistit
co je s tim tvym info spinacem.
Focus II 1.8 TDCi
-
cinkicatko
- Nováček

- Příspěvky: 13
- Registrován: 03.05.2010 16:06
- Bydliště: Uhříněves, Praha
- Kontaktovat uživatele:
Re: problém palubní počítač
Tak nový poznatok, vyberu packu ven z auta promerim kontakt na pal. pocitac....a normalne funguje...vsetko je ok.
Kdyz vemu kus dratu a simuluji kontakt tym ze spojim pin 5 s pin 10 co je jako bych stisknul tlacitko INFO tak palubak normalne funguje.
Samostatne to jede vsetko. Pronblem je kdyz spojim packu s konektorom a palubak je v ..... tlacitko INFO nereaguje. Nechápem!
Jeste kdyz jenom povytahnu konektor a znouvu ho tam pak pripojim tak hned palubak zareaguje.
Nevite kde muze byt chyba????? Z el. hlediska to nejde pochopit.
Kdyz vemu kus dratu a simuluji kontakt tym ze spojim pin 5 s pin 10 co je jako bych stisknul tlacitko INFO tak palubak normalne funguje.
Samostatne to jede vsetko. Pronblem je kdyz spojim packu s konektorom a palubak je v ..... tlacitko INFO nereaguje. Nechápem!
Jeste kdyz jenom povytahnu konektor a znouvu ho tam pak pripojim tak hned palubak zareaguje.
Nevite kde muze byt chyba????? Z el. hlediska to nejde pochopit.
- ZaQik
- Admin

- Příspěvky: 25000
- Registrován: 30.05.2010 17:33
- Bydliště: exit 82 na D0
Re: problém palubní počítač
... promer packu, zda nema pin 5 a 10 spojeni na jiny pin (kde je zem) ... radeji mer pri stisknutem tlacitku na pacce.
Ford Focus mk3 combi 1.6 Ti-VCT, r.v.2018 + Ford Fiesta mk7 3D 1.25, r.v.2014
byl Ford Focus mk2 combi 1.6, r.v.2009 + Ford Fiesta mk6 1.4 TDCi r.v. 2004
Nejsem poradna, encyklopedie ani hotline spolecnosti Ford - ptejte se na foru, od toho je.
byl Ford Focus mk2 combi 1.6, r.v.2009 + Ford Fiesta mk6 1.4 TDCi r.v. 2004
Nejsem poradna, encyklopedie ani hotline spolecnosti Ford - ptejte se na foru, od toho je.
-
cinkicatko
- Nováček

- Příspěvky: 13
- Registrován: 03.05.2010 16:06
- Bydliště: Uhříněves, Praha
- Kontaktovat uživatele:
Re: problém palubní počítač
Kdyz vemu tak palubak se prepina i kdyz propojim pin4 s pin5.
Podle mne ma palubak primy signal z pin 4 a nereaguje proto tlacitko info na pin 10.
Muzu pin 4 odpojit? k cemu je??? podle mne kdyz pin 4 nejak umrtvim tak to bude fungovat...
Podle mne ma palubak primy signal z pin 4 a nereaguje proto tlacitko info na pin 10.
Muzu pin 4 odpojit? k cemu je??? podle mne kdyz pin 4 nejak umrtvim tak to bude fungovat...
-
cinkicatko
- Nováček

- Příspěvky: 13
- Registrován: 03.05.2010 16:06
- Bydliště: Uhříněves, Praha
- Kontaktovat uživatele:
Re: problém palubní počítač
muze mi nekdo poslat z TISu schema zapojeni toho konektoru, odkud jde signal do pin 4?
Mne to ten palubak spina pres pin 4 a ten je permanentne spojeny s pin 5.
Mne to ten palubak spina pres pin 4 a ten je permanentne spojeny s pin 5.
- ZaQik
- Admin

- Příspěvky: 25000
- Registrován: 30.05.2010 17:33
- Bydliště: exit 82 na D0
Re: problém palubní počítač
Trip computer switch - je mezi 5 (kostra) a 10 (trip computer module).
4 vede do GEMu a je uvnitr packy propojena s 5 patrne pres RESET.
4 vede do GEMu a je uvnitr packy propojena s 5 patrne pres RESET.
Ford Focus mk3 combi 1.6 Ti-VCT, r.v.2018 + Ford Fiesta mk7 3D 1.25, r.v.2014
byl Ford Focus mk2 combi 1.6, r.v.2009 + Ford Fiesta mk6 1.4 TDCi r.v. 2004
Nejsem poradna, encyklopedie ani hotline spolecnosti Ford - ptejte se na foru, od toho je.
byl Ford Focus mk2 combi 1.6, r.v.2009 + Ford Fiesta mk6 1.4 TDCi r.v. 2004
Nejsem poradna, encyklopedie ani hotline spolecnosti Ford - ptejte se na foru, od toho je.
-
xbobcz
- Junior

- Příspěvky: 260
- Registrován: 11.04.2011 21:16
- Bydliště: Brno
Re: problém palubní počítač
Zkus zmerit zda nemas v pacce zkrat mezi 5 a 10 nebo 4 a 10.
Focus II 1.8 TDCi
-
cinkicatko
- Nováček

- Příspěvky: 13
- Registrován: 03.05.2010 16:06
- Bydliště: Uhříněves, Praha
- Kontaktovat uživatele:
Re: problém palubní počítač
cius, 5 krat jsem to rozebral 5 krat slozil a mezi tím to nefungovalo, teraz to zahadne funguje, nevim jak ale funguje....
Neni nekdo pobliz prahy aby jsme to mohli vyzkouset, kdyz tak....otestovat.....???
Neni nekdo pobliz prahy aby jsme to mohli vyzkouset, kdyz tak....otestovat.....???
Kdo je online
Uživatelé prohlížející si toto fórum: Žádní registrovaní uživatelé a 1 host

