S křížkem po funuse, ale přece. Ty packy na zaháknutí jsem tam dával jednoduše proto že jsem v autě dělal škatulata hejbejte se. Dopředu lampičku z Ghii, nad zadní sedačky lampičku co byla původně vpředu (s dokoupeným a upraveným rámečkem. Originální oválná lampička má určitě uchycení připravené.Milinko píše:chlapi, sehnal jsem si ten rámeček a chystám se ho namontovat, ale není mě jasné, proč jste ho tam lepily a jinak uchycovaly, když ten rámeček má na sobě takové pacičky, kterýma se zacvakne na tapecírunk...takové uchycení nestačí??
díky
2.stropní světlo (info v 1. príspevku)
- VH123
- Zkušený

- Příspěvky: 1212
- Registrován: 09.04.2009 09:37
- Bydliště: Lovosice
Re: 2.stropní světlo
Vojta
__________________
Ford Focus 1.6 16V 74 kW TrendoGhia 2003 LPG Stag 4 Rust In Pieces
Ford Capri Mk2 2.3 V6 X-pack 1977
Mazda 5 CW 2.5 2012
__________________
Ford Focus 1.6 16V 74 kW TrendoGhia 2003 LPG Stag 4 Rust In Pieces
Ford Capri Mk2 2.3 V6 X-pack 1977
Mazda 5 CW 2.5 2012
- postak
- Test driver

- Příspěvky: 2143
- Registrován: 22.11.2008 15:55
- Bydliště: Třinec
Re: 2.stropní světlo
Milinko měl bys čas a popsal, jaké díly k tomu byly potřeba? Kupoval si origo Ford a nové nebo vrakáč? Pokud nové, nehodil bys sem čísla i pro ostatní, kdo se rozhodne si 2 stropní světlo dodělat ? DíkyMilinko píše:aha, každopádně jsem to právě namontoval a nebylo třeba žádného lepení. Rámeček krásně drží na těch 4 packách co jsou na něm.
- Milinko
- Zkušený

- Příspěvky: 1699
- Registrován: 02.02.2008 03:18
Re: 2.stropní světlo
já si sehnal(resp.kamoš mi ho sehnal) rámeček z vrakáče, z kombi Fofo II a do něj jsem nacvakl světýlko co jsem měl vpředu(obyč bez světel pro čtení). Vpředu mám teďkom světýlko z Ghia(má i světýlka pro čtení).
Štávu jsem napíchl z káblíků pro přední stropní světlo a pevným drátem to protáhl pod stropním tapecem dozadu...toť vše
Štávu jsem napíchl z káblíků pro přední stropní světlo a pevným drátem to protáhl pod stropním tapecem dozadu...toť vše
- Quickie
- Moderátor

- Příspěvky: 7240
- Registrován: 10.03.2008 21:18
- Bydliště: Revúca, Trnava
Re: 2.stropní světlo
ja som to robil takisto
tiež som dal svetlo zpredu dozadu a dopredu som kupil tu od niekoho z fora (uz neviem kto to bol) aj s čitacimi bočnymi lampičkami. Ale bolo to z FF I.
teraz už mam vpredu aj vzadu svetla s FFII aj s Bluetooth.. len by mi to bodlo aj zapojiť
tiež som dal svetlo zpredu dozadu a dopredu som kupil tu od niekoho z fora (uz neviem kto to bol) aj s čitacimi bočnymi lampičkami. Ale bolo to z FF I.
teraz už mam vpredu aj vzadu svetla s FFII aj s Bluetooth.. len by mi to bodlo aj zapojiť
- Milinko
- Zkušený

- Příspěvky: 1699
- Registrován: 02.02.2008 03:18
Re: 2.stropní světlo
světla s Bluetooth?? ....a to je prosím tě co? 
- Quickie
- Moderátor

- Příspěvky: 7240
- Registrován: 10.03.2008 21:18
- Bydliště: Revúca, Trnava
Re: 2.stropní světlo
to je stropne svetlo z FFII ale namiesto tých červených akože nočnych svetielok po bokoch su mikrofony pre bluetooth
neviem najst fotku a nenapada ci to niekto ma v galerii.. odfotim a hodim foto
edit: neni to bluetooth ale pohybove senzory
neviem najst fotku a nenapada ci to niekto ma v galerii.. odfotim a hodim foto
edit: neni to bluetooth ale pohybove senzory
- ZaQik
- Admin

- Příspěvky: 25139
- Registrován: 30.05.2010 17:33
- Bydliště: exit 82 na D0
Re: 2.stropní světlo
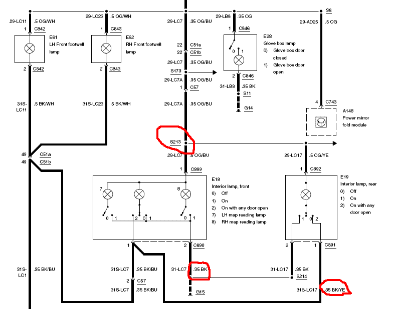
Pripravil jsem si druhe stropni svetlo (C-Max 2007, ma i cteci lampicky, vrakac za 50,- i s rameckem) a chystal se protahnou kabel k prednimu ... pod strechou jsem NASEL fialovy konektor s 3 kabely (cerny, bily, zluto-oranzovy). Kabely vedou k prednimu svetlu, resp. do "uzlu", odkud vedou kabely k prednimu svetlu a na kostru. Zmeril jsem jen, ze cerny je kostra, ale ostatni nic.
Nevite nekdo, co je to zac?
DIky
Nevite nekdo, co je to zac?
DIky
Ford Focus mk3 combi 1.6 Ti-VCT, r.v.2018 + Ford Fiesta mk7 3D 1.25, r.v.2014
byl Ford Focus mk2 combi 1.6, r.v.2009 + Ford Fiesta mk6 1.4 TDCi r.v. 2004
Nejsem poradna, encyklopedie ani hotline spolecnosti Ford - ptejte se na foru, od toho je.
byl Ford Focus mk2 combi 1.6, r.v.2009 + Ford Fiesta mk6 1.4 TDCi r.v. 2004
Nejsem poradna, encyklopedie ani hotline spolecnosti Ford - ptejte se na foru, od toho je.
-
KUTY
Re: 2.stropní světlo
ZaQik: jednoducho napoj 3x kabel paralelne k prednemu svetlu (novy konektor) a to co tam je nech ta netrapi
ale pokial nemas pripravene kable tak je lepsie vyuzit na prepojenie tie co tam su a to metodou pokus-omyl
ale pokial nemas pripravene kable tak je lepsie vyuzit na prepojenie tie co tam su a to metodou pokus-omyl
- ZaQik
- Admin

- Příspěvky: 25139
- Registrován: 30.05.2010 17:33
- Bydliště: exit 82 na D0
Re: 2.stropní světlo
... to mam v planu; jen me zaujal ten konektor, zda by se k necemu nehodilKUTY píše:3x kabel paralelne k prednemu svetlu
Ford Focus mk3 combi 1.6 Ti-VCT, r.v.2018 + Ford Fiesta mk7 3D 1.25, r.v.2014
byl Ford Focus mk2 combi 1.6, r.v.2009 + Ford Fiesta mk6 1.4 TDCi r.v. 2004
Nejsem poradna, encyklopedie ani hotline spolecnosti Ford - ptejte se na foru, od toho je.
byl Ford Focus mk2 combi 1.6, r.v.2009 + Ford Fiesta mk6 1.4 TDCi r.v. 2004
Nejsem poradna, encyklopedie ani hotline spolecnosti Ford - ptejte se na foru, od toho je.
- ZaQik
- Admin

- Příspěvky: 25139
- Registrován: 30.05.2010 17:33
- Bydliště: exit 82 na D0
Re: 2.stropní světlo
... dlouho jsem premyslel, proc konektory predniho svetla maji vzdy dva kabely. Uz to vim - je to i vyvod pro zadni svetlo. Nemecky kombik TREND ma zadni svetlo ve standardu, kabely prichazeji z prave strany. Udelal jsem diru do oblozeni strechy, ale nedosahnu nad prave zadni dvere, abych tam konektor nasel. Zkousel jste to nekdo takhle?
(protazeni 3dratu od predniho zatim odkladam, pokud tam konektor je, tak nevidim duvod dodelavat dalsi ...)
(protazeni 3dratu od predniho zatim odkladam, pokud tam konektor je, tak nevidim duvod dodelavat dalsi ...)
Ford Focus mk3 combi 1.6 Ti-VCT, r.v.2018 + Ford Fiesta mk7 3D 1.25, r.v.2014
byl Ford Focus mk2 combi 1.6, r.v.2009 + Ford Fiesta mk6 1.4 TDCi r.v. 2004
Nejsem poradna, encyklopedie ani hotline spolecnosti Ford - ptejte se na foru, od toho je.
byl Ford Focus mk2 combi 1.6, r.v.2009 + Ford Fiesta mk6 1.4 TDCi r.v. 2004
Nejsem poradna, encyklopedie ani hotline spolecnosti Ford - ptejte se na foru, od toho je.
-
KUTY
Re: 2.stropní světlo
ja sa na to chystam buduci tyzden ale nevidim dovod "dodelavat" dalsi konektor:
vpredu:3ks kable na stropnom svetle (a je jedno v akom konektore, povodny sa aj tak rozstrihne ), z nich pojdu dozadu takisto 3, paralelne zapojene...takze len pripojim k prednym 3, dozadu 3 a je hotove...aky dalsi kabel hladas zboku ?
nespekuluj a daj 3 kable od predneho k zadnemu a hotove...doktore jdem
vpredu:3ks kable na stropnom svetle (a je jedno v akom konektore, povodny sa aj tak rozstrihne ), z nich pojdu dozadu takisto 3, paralelne zapojene...takze len pripojim k prednym 3, dozadu 3 a je hotove...aky dalsi kabel hladas zboku ?
nespekuluj a daj 3 kable od predneho k zadnemu a hotove...doktore jdem
- ZaQik
- Admin

- Příspěvky: 25139
- Registrován: 30.05.2010 17:33
- Bydliště: exit 82 na D0
Re: 2.stropní světlo
... z boku hledam originalni kabel, ktery ma napr. GHIA. Mel by byt i u TREND, jen je nekde prilepen nad pravymi dvermi.
No nic, kdyz najdu, dam vedet. Pres tyden tam kouknu kamerou na prohlizeni stavebnich trhlin.
No nic, kdyz najdu, dam vedet. Pres tyden tam kouknu kamerou na prohlizeni stavebnich trhlin.
Ford Focus mk3 combi 1.6 Ti-VCT, r.v.2018 + Ford Fiesta mk7 3D 1.25, r.v.2014
byl Ford Focus mk2 combi 1.6, r.v.2009 + Ford Fiesta mk6 1.4 TDCi r.v. 2004
Nejsem poradna, encyklopedie ani hotline spolecnosti Ford - ptejte se na foru, od toho je.
byl Ford Focus mk2 combi 1.6, r.v.2009 + Ford Fiesta mk6 1.4 TDCi r.v. 2004
Nejsem poradna, encyklopedie ani hotline spolecnosti Ford - ptejte se na foru, od toho je.
-
KUTY
Re: 2.stropní světlo
takze existuje kabel zboku, ktory pripojis do "dodelavaneho" svetla a voala ?
...nemusis tahat spredu ? to pocujem prvykrat a to uz X-clenov dorabalo svetlo nad zadne sedacky
...nemusis tahat spredu ? to pocujem prvykrat a to uz X-clenov dorabalo svetlo nad zadne sedacky
- Quickie
- Moderátor

- Příspěvky: 7240
- Registrován: 10.03.2008 21:18
- Bydliště: Revúca, Trnava
Re: 2.stropní světlo
možno nikto nevedel že vobec nejaky konektor existuje... ja som tiež dotiahol kable od predneho svetla, žiadny problém... Vobec by ma teda nenapadlo rozoberat strešny tapac od dverí že by tam bol nejaky konektor.. ale možno pozriem 
- Speed
- Nováček

- Příspěvky: 70
- Registrován: 11.05.2010 12:18
- Bydliště: přeštice
Re: 2.stropní světlo
Ne žádní další konektor tam není svazky ke světlům se liší potle stropnice.
Zadní lampička je pouze spolu se světli pod slunečními colnama. 
Ford Focus II combi 2005 1.6TDCI 66kw black panther 

Kdo je online
Uživatelé prohlížející si toto fórum: Žádní registrovaní uživatelé a 0 hostů

