Potrebne dily:
drzak kamery (soucast celniho skla)
dvoudilny interierovy kryt kamery a destaku (C1BB-A03514-AC3YYW a C1BB-A03515-AC3YYW)
kamera C1BT-14F449-AB
2x chytre zadni cidlo ABS pro bubnove brzdy (C1BC-2C190-BB; pro kotoucove netreba menit)
(chytre cidlo ma zluto-cerny privodni kabel, hloupe bilo-cerny)
Schema:
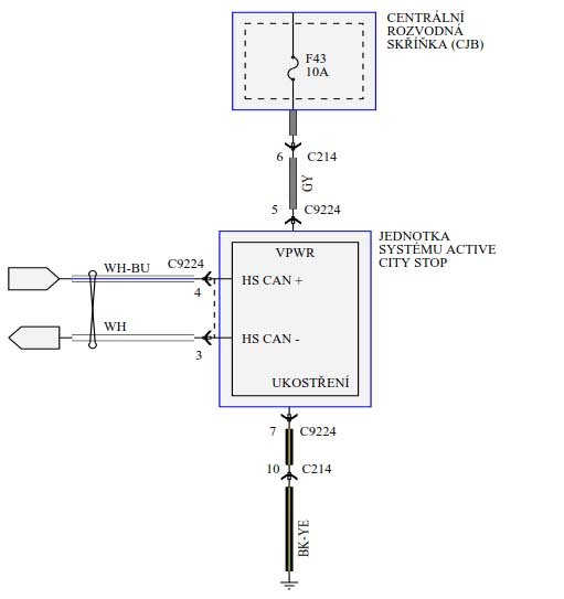
zapojeni radaru
zapojeni brzd
Navod - fiesta mk7 facelift - city STOP
- ZaQik
- Admin

- Příspěvky: 25132
- Registrován: 30.05.2010 17:33
- Bydliště: exit 82 na D0
Navod - fiesta mk7 facelift - city STOP
Ford Focus mk3 combi 1.6 Ti-VCT, r.v.2018 + Ford Fiesta mk7 3D 1.25, r.v.2014
byl Ford Focus mk2 combi 1.6, r.v.2009 + Ford Fiesta mk6 1.4 TDCi r.v. 2004
Nejsem poradna, encyklopedie ani hotline spolecnosti Ford - ptejte se na foru, od toho je.
byl Ford Focus mk2 combi 1.6, r.v.2009 + Ford Fiesta mk6 1.4 TDCi r.v. 2004
Nejsem poradna, encyklopedie ani hotline spolecnosti Ford - ptejte se na foru, od toho je.
- ZaQik
- Admin

- Příspěvky: 25132
- Registrován: 30.05.2010 17:33
- Bydliště: exit 82 na D0
Re: Navod - fiesta mk7 facelift - city STOP
Postup:
1. vymenime cidla ABS (kazde 1x torx 20)
2. usadime radar do predniho skla - kostra spolecna s lampickou nebo destakem, sbernici HS CAN jsem pres C214 (Asloupek ridice) zapojil za diagnostickou zasuvku (bily a bilo-modry drat), napajeni z interierove pojiskovnice F43 (jeden pin pojistky byl pripraven, takze bud osadit druhy nebo jen dat privod pod pojistku)
3. zapojime brzdove rele:
- potrebujeme rele s 5 nozickami (staci male 20A) - ja k nemu mel i pozdro, ktere se usazuje do interove pojistkovnice
- vyvod 1 a 5 dame na pojistku F2 (interierova pojiskovnice), ktera napaji brzdova svetla
- z konektoru C211 (Asloupek v nohach ridice) na pinu 61 prerusime drat a oba konce dotahneme na rele na vyvody 4 a 3
- vyvod 2 pripojime na BCM na pin 18 v konektoru G
4. diagnostikou zmenime v centralni konfiguraci parametr City Safety na hodnotu 02 (City Safety, Mode 1) a parametr Wheel speed sensor na hodnotu 01 (Direction Recognition); otom je potreba udelat inicializaci ABS
5. a v menu radia lze pripadne funkcionalitu vypnout
1. vymenime cidla ABS (kazde 1x torx 20)
2. usadime radar do predniho skla - kostra spolecna s lampickou nebo destakem, sbernici HS CAN jsem pres C214 (Asloupek ridice) zapojil za diagnostickou zasuvku (bily a bilo-modry drat), napajeni z interierove pojiskovnice F43 (jeden pin pojistky byl pripraven, takze bud osadit druhy nebo jen dat privod pod pojistku)
3. zapojime brzdove rele:
- potrebujeme rele s 5 nozickami (staci male 20A) - ja k nemu mel i pozdro, ktere se usazuje do interove pojistkovnice
- vyvod 1 a 5 dame na pojistku F2 (interierova pojiskovnice), ktera napaji brzdova svetla
- z konektoru C211 (Asloupek v nohach ridice) na pinu 61 prerusime drat a oba konce dotahneme na rele na vyvody 4 a 3
- vyvod 2 pripojime na BCM na pin 18 v konektoru G
4. diagnostikou zmenime v centralni konfiguraci parametr City Safety na hodnotu 02 (City Safety, Mode 1) a parametr Wheel speed sensor na hodnotu 01 (Direction Recognition); otom je potreba udelat inicializaci ABS
5. a v menu radia lze pripadne funkcionalitu vypnout
Ford Focus mk3 combi 1.6 Ti-VCT, r.v.2018 + Ford Fiesta mk7 3D 1.25, r.v.2014
byl Ford Focus mk2 combi 1.6, r.v.2009 + Ford Fiesta mk6 1.4 TDCi r.v. 2004
Nejsem poradna, encyklopedie ani hotline spolecnosti Ford - ptejte se na foru, od toho je.
byl Ford Focus mk2 combi 1.6, r.v.2009 + Ford Fiesta mk6 1.4 TDCi r.v. 2004
Nejsem poradna, encyklopedie ani hotline spolecnosti Ford - ptejte se na foru, od toho je.
Kdo je online
Uživatelé prohlížející si toto fórum: Žádní registrovaní uživatelé a 0 hostů

