Predpoklad: v aute je jiz obvodovy alarm (viewtopic.php?f=283&t=46862)
Dily:
stropni lampicka s ultrazvukem AV11-15K609-AF (fiesta mk7 poFL, Bmax, Ecosport ... pozor: na pohled vypada jako pro FF2 nebo mondeo mk4, ale elektronika je jina)
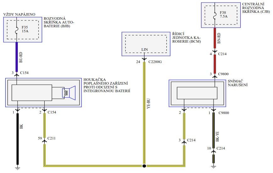
Schema:
Postup:
1. vyndame stavajici lampicku a sundame oblozeni Asloupku ridice (konektor C214)
2. pokud neni priprava, natahneme draty:
- kostra je spolecna se stropnim osvetleni
- napajeni je z interierove pojistkovnice z pozice F34, F35, F36 a F38 (protikus F38 jsem nemel, tak jsem pouzil nevyuzity F36)
- sbernice je z konektrou G na BCM (download/file.php?id=163742&mode=view)
3. diagnostikou povolime interierovy sken (netusim, ktere BCM toto podporuji - vim, ze verze Gx ano)
-----------------------
bateriovou sirenu zde neresim
Navod - fiesta mk7 facelift - interierovy (objemovy) alarm
- ZaQik
- Admin

- Příspěvky: 25129
- Registrován: 30.05.2010 17:33
- Bydliště: exit 82 na D0
Navod - fiesta mk7 facelift - interierovy (objemovy) alarm
Ford Focus mk3 combi 1.6 Ti-VCT, r.v.2018 + Ford Fiesta mk7 3D 1.25, r.v.2014
byl Ford Focus mk2 combi 1.6, r.v.2009 + Ford Fiesta mk6 1.4 TDCi r.v. 2004
Nejsem poradna, encyklopedie ani hotline spolecnosti Ford - ptejte se na foru, od toho je.
byl Ford Focus mk2 combi 1.6, r.v.2009 + Ford Fiesta mk6 1.4 TDCi r.v. 2004
Nejsem poradna, encyklopedie ani hotline spolecnosti Ford - ptejte se na foru, od toho je.
- ZaQik
- Admin

- Příspěvky: 25129
- Registrován: 30.05.2010 17:33
- Bydliště: exit 82 na D0
Re: Navod - fiesta mk7 facelift - interierovy (objemovy) alarm
samozrejme lze v menu radia nastavit, jak se ma alarm pri opousteni auta chovat:
... a po vypnuti motoru se objevi:
Ford Focus mk3 combi 1.6 Ti-VCT, r.v.2018 + Ford Fiesta mk7 3D 1.25, r.v.2014
byl Ford Focus mk2 combi 1.6, r.v.2009 + Ford Fiesta mk6 1.4 TDCi r.v. 2004
Nejsem poradna, encyklopedie ani hotline spolecnosti Ford - ptejte se na foru, od toho je.
byl Ford Focus mk2 combi 1.6, r.v.2009 + Ford Fiesta mk6 1.4 TDCi r.v. 2004
Nejsem poradna, encyklopedie ani hotline spolecnosti Ford - ptejte se na foru, od toho je.
Kdo je online
Uživatelé prohlížející si toto fórum: Žádní registrovaní uživatelé a 0 hostů

