Dodělání automatického sklápění zpětných zrcátek

Karoserie, lak a vše kolem ...
Moderátor:foki
otík
Junior
Junior
Příspěvky: 273
Registrován: 24.07.2017 18:59
Bydliště: ValMez

Re: Dodělání automatického sklápění zpětných zrcátek

Příspěvek od otík » 18.05.2020 13:46

jj, na Allegru jsem sháněl konzolu s tlačítkem, ale mají teď nějaké omezení a neposílají za hranice.
No uvidím, třeba se to s novou konzolou rozhýbe...
Ford Galaxy Ghia, rv 2008, 2.2 TDCi (129kW)

Uživatelský avatar
vitut
Člen klubu
Člen klubu
Příspěvky: 3024
Registrován: 25.06.2008 13:03
Bydliště: Milovice(NB), Štoky(HB)
Kontaktovat uživatele:

Re: Dodělání automatického sklápění zpětných zrcátek

Příspěvek od vitut » 18.05.2020 16:07

Kdyz mi posles cislo aukce, reknu Ti, co to bude stat s dodanim az domu ...
S-Max, 2.0 TDCi, 103 kW, 2009, modrá Blazer
FoFo1 combi, 2.0 16V, 127 kW, 2003, modrá Imperial
C-Max mk1, 1.8 16V, 88 kW, 2004

byl: FoFo1 combi, 1.8 TDCi, 85 kW, 2002, šedá

Obrázek

otík
Junior
Junior
Příspěvky: 273
Registrován: 24.07.2017 18:59
Bydliště: ValMez

Re: Dodělání automatického sklápění zpětných zrcátek

Příspěvek od otík » 18.05.2020 18:26

OK, tak tady jsou Numera oferty: 8770403240 nebo 9073358683, 8842826452, 8556954221, 8992883463. Prostě něco z toho.
Mám sice teď jednu konzolu vyhlídnutou za cca osm stovek, ale z toho Allegra by to bylo výhodnější... a vzal bych tam rovnou těch věcí i víc, ale když jsem to vše naházel do košíku, tak mě to zastavilo u dopravy.... Mám navíc ještě akci Allegro Smart.
Ford Galaxy Ghia, rv 2008, 2.2 TDCi (129kW)

Uživatelský avatar
ZaQik
Admin
Admin
Příspěvky: 25134
Registrován: 30.05.2010 17:33
Bydliště: exit 82 na D0

Re: Dodělání automatického sklápění zpětných zrcátek

Příspěvek od ZaQik » 18.05.2020 19:16

podobne debaty do SZ
diky
Ford Focus mk3 combi 1.6 Ti-VCT, r.v.2018 + Ford Fiesta mk7 3D 1.25, r.v.2014
byl Ford Focus mk2 combi 1.6, r.v.2009 + Ford Fiesta mk6 1.4 TDCi r.v. 2004
Nejsem poradna, encyklopedie ani hotline spolecnosti Ford - ptejte se na foru, od toho je.

otík
Junior
Junior
Příspěvky: 273
Registrován: 24.07.2017 18:59
Bydliště: ValMez

Re: Dodělání automatického sklápění zpětných zrcátek

Příspěvek od otík » 21.05.2020 15:39

vitut píše: 18.05.2020 12:53 Myslim si, ze AE modul bude mit jiny firmware. ELMConfig ani ForScan to neumi, musis treba pres UCDS. Co vim, tak Zaqik by mohl umet prehrat.
Ja jsem koupil ovladac oken s tlacitkem v Polsku, chtel za to 20 Zl. Ostatne i moduly EF, KF jsou tam k mani.
Našel jsem způsob jak přes Forscan přeprogramovat DDM a PDM moduly dveří z pohledu automatického sklápění zrcátek: https://www.car-auto-repair.com/forscan ... ld-mirror/
Je to ale pro Ford F150. Dokázal by toto někdo upravit pro naše evropské auta typu Mondeo IV, Galaxy III/ S-max?
Nutná Extended licence.
Naposledy upravil(a) otík dne 21.05.2020 16:04, celkem upraveno 1 x.
Ford Galaxy Ghia, rv 2008, 2.2 TDCi (129kW)

Uživatelský avatar
ZaQik
Admin
Admin
Příspěvky: 25134
Registrován: 30.05.2010 17:33
Bydliště: exit 82 na D0

Re: Dodělání automatického sklápění zpětných zrcátek

Příspěvek od ZaQik » 21.05.2020 16:02

schvalne se podivej forscanem na svoje dverni moduly a dej printscreen, co Ti to umoznuje
Ford Focus mk3 combi 1.6 Ti-VCT, r.v.2018 + Ford Fiesta mk7 3D 1.25, r.v.2014
byl Ford Focus mk2 combi 1.6, r.v.2009 + Ford Fiesta mk6 1.4 TDCi r.v. 2004
Nejsem poradna, encyklopedie ani hotline spolecnosti Ford - ptejte se na foru, od toho je.

otík
Junior
Junior
Příspěvky: 273
Registrován: 24.07.2017 18:59
Bydliště: ValMez

Re: Dodělání automatického sklápění zpětných zrcátek

Příspěvek od otík » 21.05.2020 16:04

Podívám se až budu doma. Kam tou otázkou míříš?
Ford Galaxy Ghia, rv 2008, 2.2 TDCi (129kW)

Uživatelský avatar
ZaQik
Admin
Admin
Příspěvky: 25134
Registrován: 30.05.2010 17:33
Bydliště: exit 82 na D0

Re: Dodělání automatického sklápění zpětných zrcátek

Příspěvek od ZaQik » 21.05.2020 16:13

neuvidis tam nic - F150 MY 2016 je neco uplne jineho nez mondeo mk4
Ford Focus mk3 combi 1.6 Ti-VCT, r.v.2018 + Ford Fiesta mk7 3D 1.25, r.v.2014
byl Ford Focus mk2 combi 1.6, r.v.2009 + Ford Fiesta mk6 1.4 TDCi r.v. 2004
Nejsem poradna, encyklopedie ani hotline spolecnosti Ford - ptejte se na foru, od toho je.

otík
Junior
Junior
Příspěvky: 273
Registrován: 24.07.2017 18:59
Bydliště: ValMez

Re: Dodělání automatického sklápění zpětných zrcátek

Příspěvek od otík » 22.05.2020 07:11

Bohužel měl jsi opět pravdu, čestně přiznávám. Škoda :nixw:
Jeden postřeh ale mám, poté, co jsem si přes rozšířenou licenci Forscanu uděl totéž co v ELMConfig (aktivace sklápěcích zrcátek v konfiguraci), se mě při zamykání / odemykání aktivoval pohyb pravého zrcátka. Prostě dělá to co má a tehdy kdy má... Ale jen pravé, levé nic. :cry:
Jakmile osadím správnou konzoli, uvidím jak dál a co se vlastně pak bude hýbat.
Ford Galaxy Ghia, rv 2008, 2.2 TDCi (129kW)

Uživatelský avatar
ZaQik
Admin
Admin
Příspěvky: 25134
Registrován: 30.05.2010 17:33
Bydliště: exit 82 na D0

Re: Dodělání automatického sklápění zpětných zrcátek

Příspěvek od ZaQik » 22.05.2020 07:43

takze prave se sklapi/odklapi pri zamceni/odemceni? a je leve skutecne el. sklapeci? nebo nechybi treba nejaky drat do leveho zrcatka?
Ford Focus mk3 combi 1.6 Ti-VCT, r.v.2018 + Ford Fiesta mk7 3D 1.25, r.v.2014
byl Ford Focus mk2 combi 1.6, r.v.2009 + Ford Fiesta mk6 1.4 TDCi r.v. 2004
Nejsem poradna, encyklopedie ani hotline spolecnosti Ford - ptejte se na foru, od toho je.

otík
Junior
Junior
Příspěvky: 273
Registrován: 24.07.2017 18:59
Bydliště: ValMez

Re: Dodělání automatického sklápění zpětných zrcátek

Příspěvek od otík » 22.05.2020 08:19

ano, pravé se sklápí při zamčení/ odemčení. Levé se umí sklápět taky to mám otestované, zadrátování vyklápění je stejné jako u pravého a jsem si jistý, že je OK. Jedině, že by mělo další specifika/ něco navíc.
Obě zrcátka jsou i s pamětí = obsazených všech 12 pinu v konektoru od zrcátka. Paměť nemám, takže mám v opačném konektoru zapojené jen piny 1-8. V DDM modulu se mě týká primárně konektor B, kde mám dopojené piny 17 (sklápění zrcátka) a 12 (podcvícení). Piny v DPS modulu mám doplněné. V příloze i zapojení konektorů ještě před dopojením zmíněných pinů.
Přílohy
B konektor1.JPG
B konektor.JPG
modul1.JPG
modul.JPG
DDM modul.JPG
DDM modul.JPG (15.19 KiB) Zobrazeno 8105 x
Ford Galaxy Ghia, rv 2008, 2.2 TDCi (129kW)

Uživatelský avatar
ZaQik
Admin
Admin
Příspěvky: 25134
Registrován: 30.05.2010 17:33
Bydliště: exit 82 na D0

Re: Dodělání automatického sklápění zpětných zrcátek

Příspěvek od ZaQik » 22.05.2020 08:23

a kdyz prohodis zrcatka, tak funcionalita zustava jen na jedne strane?
(myslim prohozeni na konektoru, ne ze Ti pujdou pridelat ke dverim :) )
Ford Focus mk3 combi 1.6 Ti-VCT, r.v.2018 + Ford Fiesta mk7 3D 1.25, r.v.2014
byl Ford Focus mk2 combi 1.6, r.v.2009 + Ford Fiesta mk6 1.4 TDCi r.v. 2004
Nejsem poradna, encyklopedie ani hotline spolecnosti Ford - ptejte se na foru, od toho je.

otík
Junior
Junior
Příspěvky: 273
Registrován: 24.07.2017 18:59
Bydliště: ValMez

Re: Dodělání automatického sklápění zpětných zrcátek

Příspěvek od otík » 22.05.2020 08:33

tak to jsem fakt nezkoušel. Ona už montáž těch zrcátek byla dost výživná (šroub levého zrcátka šel fakt ztuha jak byl zalepený). Zkusit je prohodit to znamená zas celé rozkuchat. Navíc teď si nevybavuji, jestli nemají zrcadlově otočené konektory....
Ford Galaxy Ghia, rv 2008, 2.2 TDCi (129kW)

Uživatelský avatar
ZaQik
Admin
Admin
Příspěvky: 25134
Registrován: 30.05.2010 17:33
Bydliště: exit 82 na D0

Re: Dodělání automatického sklápění zpětných zrcátek

Příspěvek od ZaQik » 22.05.2020 08:36

konektory jsou stejne
Ford Focus mk3 combi 1.6 Ti-VCT, r.v.2018 + Ford Fiesta mk7 3D 1.25, r.v.2014
byl Ford Focus mk2 combi 1.6, r.v.2009 + Ford Fiesta mk6 1.4 TDCi r.v. 2004
Nejsem poradna, encyklopedie ani hotline spolecnosti Ford - ptejte se na foru, od toho je.

otík
Junior
Junior
Příspěvky: 273
Registrován: 24.07.2017 18:59
Bydliště: ValMez

Re: Dodělání automatického sklápění zpětných zrcátek

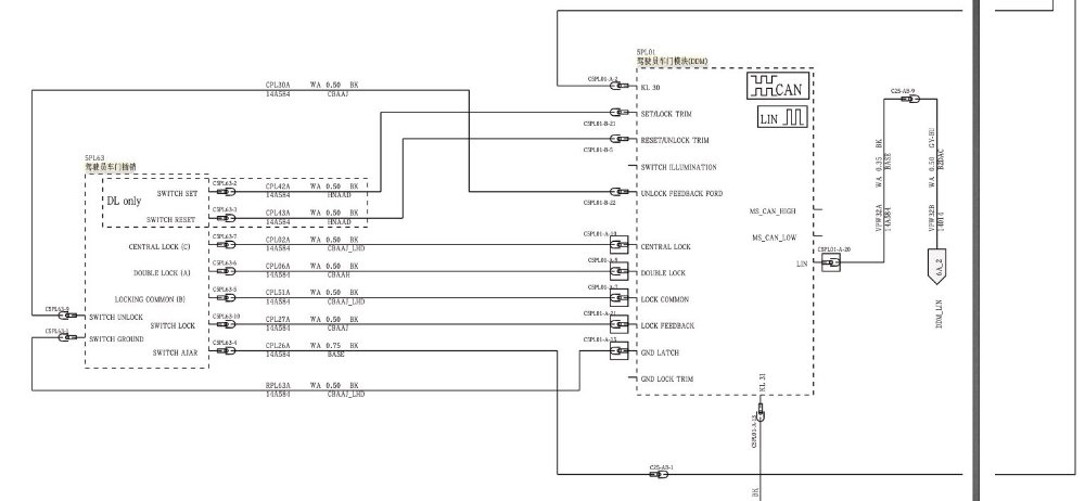
Příspěvek od otík » 07.06.2020 14:46

po nějakém čase tu mám update:
sehnal jsem konzolu i čtyři dveřní moduly po FL. Po jejich výměně a povolení v centrální konfiguraci se zrcátka hezky sklápějí při zamykání a vyklápějí při odemykání. Vč. Puddle light v zrcátku. Takže super :Dancer:
Celá věc má ale jednu bolístku, a to že nové moduly 9G9T ... nepodporují varovné světýlka v předních dveřích, které jsem tam měl dodělané. Prostě i přes povolení v centr. konfig. je tam na pinech 3 a 14 0V, jakmile přehodím na staré moduly, tak se na pinech 3 a 14 objeví 12V a světýlka svítí při otevřených dveřích.

Řešení je několik:
- vzít napájení z +12V od Puddle světla v zrcátku. Jednoduché řešení, nevýhodou je, že automaticky svítí i druhé zavřené dveře.
- zkusit vzít +12V ze snímače otevřeného zámku dveří. Toto by bylo asi i elegantnější řešení, možná by to chtělo spínání přes relátko. Netuším, ale z kterého pinu těch 12V vzít, tak aby po otevření svítily jen otevřené dveře a se zavřením se hned zhasly. Vycházím ze schematu v příloze (modul na straně řidiče).
- ještě další řešení, které mě nenapadlo.

Prosím o radu se zapojením. Díky
Přílohy
zapojení zámku.JPG
Ford Galaxy Ghia, rv 2008, 2.2 TDCi (129kW)

Odpovědět

Zpět na „Karoserie“

Kdo je online

Uživatelé prohlížející si toto fórum: Žádní registrovaní uživatelé a 0 hostů